产品中心
联系我们
深圳市思拓展电子有限公司
电话:0755-23765350
传真:0755-23765341
联系人:刘伟先生 业务经理
手机:18024798196(微信同号)
邮箱: 3267973143@qq.com
Q Q: 3267973143
地址:广东省深圳市宝安区石岩街道塘头大道罗马工业区1栋8楼

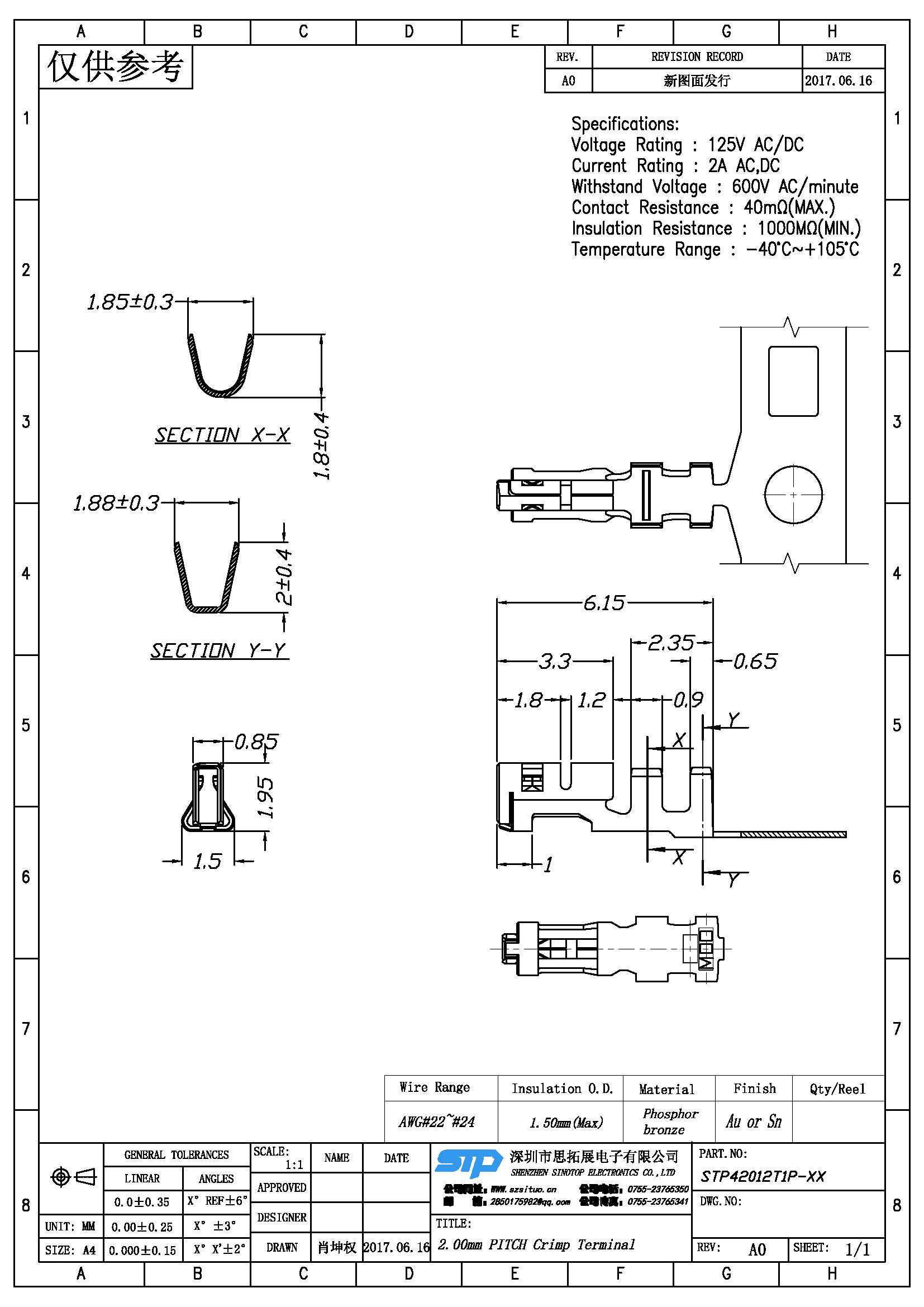
规格型号:2.0MM间距压接端子
线材规格:AWG#22~#24
外径:1.50mm Max
材质:磷青铜
电镀:Au 或 Sn
额定电流:2A AC DC
额定电压:125V AC DC
接触电阻:40mΩ Max
绝缘电阻:1000MΩ Min
耐电压:600V AC/minute
温度范围:-40℃~+105℃
Spec:2.0mm PITCH CRIMP TERMINAL
Wrie Range:AWG#22~#24
Insulation O.D.:1.50mm Max
Material:Phosphor Bronze
Plating:Au or Sn
Rated Current:2A AC DC
Rated Voltage:125V AC DC
Contact resistance:40mΩ Max
Insulation resistance:1000MΩ Min
Withstand Voltage:600V AC/minute
Temperature Range:-40℃~+105℃



