产品中心
联系我们
深圳市思拓展电子有限公司
电话:0755-23765350
传真:0755-23765341
联系人:刘伟先生 业务经理
手机:18024798196(微信同号)
邮箱: 3267973143@qq.com
Q Q: 3267973143
地址:广东省深圳市宝安区石岩街道塘头大道罗马工业区1栋8楼

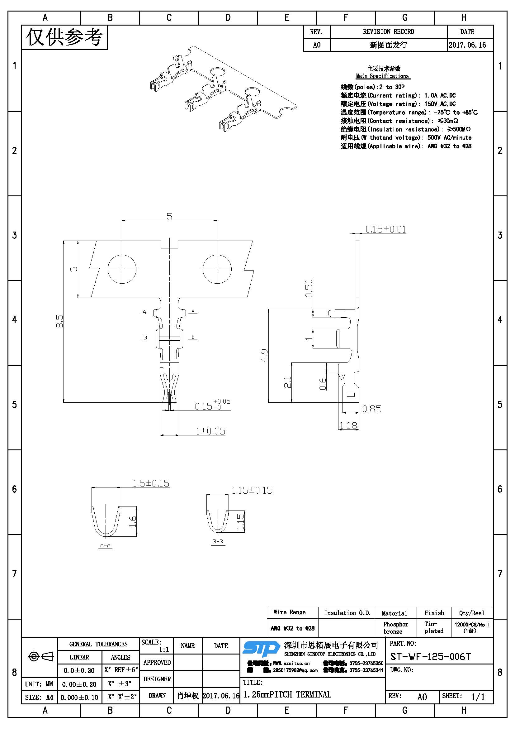
规格型号:1.25MM间距 端子
线材规格:AWG #28~#32
外径:0.90mm MAX
材质:磷青铜
电镀:Sn
额定电流:1.0A AC DC
额定电压:150V AC DC
接触电阻:30mΩ Max
绝缘电阻:500MΩ Min
耐电压:500V AC/minute
温度范围:-25℃~+85℃
Spec:1.25mm PITCH TERMINAL
Wrie Range:AWG #28~#32
Insulation O.D.:0.9mm MAX
Material:Phosphor bronze
Plating:Sn
Rated Current:1.0A AC DC
Rated Voltage:150V AC DC
Contact resistance:30mΩ Max
Insulation resistance:500MΩ Min
Withstand Voltage:500V AC/minute
Temperature Range:-25℃~+85℃



